Welcome, Guest. Please Login or Register
Welcome To Ask The Trades!
Jan 1st, 2026, 2:50pm
Quote: My mechanic told me, "I couldn't repair your brakes, so I made your horn louder."


Page Index Toggle Pages: 1
Send Topic Print
PIR replacing switch problem (Read 11948 times)
Technology
GDPR opt-out









PIR replacing switch problem
Nov 6th, 2011, 9:24pm
 
Ok I have make a circuit-board that when a push to make switch is pressed the alarm sounds

I wanted to replace the switch with a PIR sensor so if someone comes near it the alarm sounds. but the PIR component has 3 connections and my circuit-board was made with 2 connections for the switch.

...

I have no idea what i can do, is there anyway i can make this circuit work with a PIR component. I read a unrelated topic about PIR's and it talked about setting up a neutral live.

- Thanks for reading my problem  
Back to top
 
 
IP Logged
 
CWatters
Super Member
*****
Offline

"Daddy fick it" says James

Posts: 5150


Total Thanks: 58
For This Post: 0


Gender: male

Re: PIR replacing switch problem
Reply #1 - Nov 6th, 2011, 9:42pm
 
That looks like some sort of photo sensitive transistor in which case the three connections will probably be:

Base
Emitter
Collector

In principle the two connections you need will be the Emitter and Collector (base left unconnected) but it might not be that simple.  

To be sure we would need:

1) The part number of that PIR sensor
2) A circuit diagram for the alarm or at least the input stage.

Back to top
 
Thank User For This Post View members image gallery  
IP Logged
 
CWatters
Super Member
*****
Offline

"Daddy fick it" says James

Posts: 5150


Total Thanks: 58
For This Post: 0


Gender: male

Re: PIR replacing switch problem
Reply #2 - Nov 6th, 2011, 9:45pm
 
Ok so I tracked down the data sheet for the device here..

http://www.rapidonline.com/pdf/61-1466.pdf

Now just need details of the alarm.
Back to top
 
Thank User For This Post View members image gallery  
IP Logged
 
Technology
Re: PIR replacing switch problem
Reply #3 - Nov 6th, 2011, 9:48pm
 
The part would be ordered from :
http://www.rapidonline.com/Electronic-Components/General-purpose-pyroelectric-PI...

Manufacturer Part #: RE200B

- I don't have the diagram to hand ill come back tomorrow with it. Thank you for your response
Back to top
 
Thank User For This Post  
IP Logged
 
CWatters
Super Member
*****
Offline

"Daddy fick it" says James

Posts: 5150


Total Thanks: 58
For This Post: 0


Gender: male

Re: PIR replacing switch problem
Reply #4 - Nov 6th, 2011, 9:53pm
 
Ok have scanned the data sheet and I don't believe that device can be used as a straightforward replacement for a switch.  The output is AC at 1khz and it appears to need an amplifier.

If you are trying to add PIR sensor to an existing burglar alarm you would do better to use a PIR sensor from the alarm manufacturer. Failing that a PIR sensor (as sold by say Homebase/BnQ) feeding a relay with a mains coil might be a better bet (if the PIR sensor doesn't have a volt free output relay, most don't).

PS If this is going outside do you really want every stray cat or bird to set off the alarm?
Back to top
« Last Edit: Nov 6th, 2011, 10:08pm by CWatters »  
Thank User For This Post View members image gallery  
IP Logged
 
Technology
Re: PIR replacing switch problem
Reply #5 - Nov 6th, 2011, 10:21pm
 
its a home alarm project when the key switch activates the circuit and the user has a certain time which can be changed via a variable resistor. once the time is up the rest of the circuit is activated and once the push-to-make button (that i want to replace with a pir) is pressed once the alarm is set off.

I thought the PIR would just act like the switch and when someone goes it front of it and momentarily close the circuit.
Back to top
 
Thank User For This Post  
IP Logged
 
CWatters
Super Member
*****
Offline

"Daddy fick it" says James

Posts: 5150


Total Thanks: 58
For This Post: 0


Gender: male

Re: PIR replacing switch problem
Reply #6 - Nov 6th, 2011, 10:23pm
 
If your alarm is 12V powered (or has a 12V output) then this type of PIR sensor might be worth a look.

http://www.reuk.co.uk/buy-12V-PIR-SENSOR.htm

or

http://www.quasarelectronics.com/3076r-4-12v-pir-motion-detector-module.htm

It may need a relay (although in this case it would be a 12V coil type).
Back to top
 
Thank User For This Post View members image gallery  
IP Logged
 
CWatters
Super Member
*****
Offline

"Daddy fick it" says James

Posts: 5150


Total Thanks: 58
For This Post: 0


Gender: male

Re: PIR replacing switch problem
Reply #7 - Nov 6th, 2011, 10:25pm
 
Quote:
I thought the PIR would just act like the switch and when someone goes it front of it and momentarily close the circuit.


Switches connect one output terminal to another.

When a PIR sensor operates it typically connects one output terminal to the power supply (eg to 230V or 12V).

Hence the possible need for a relay to turn a PIR into a switch.
Back to top
 
Thank User For This Post View members image gallery  
IP Logged
 
Technology
Re: PIR replacing switch problem
Reply #8 - Nov 7th, 2011, 10:51am
 
CWatters wrote on Nov 6th, 2011, 9:45pm:
Ok so I tracked down the data sheet for the device here..

http://www.rapidonline.com/pdf/61-1466.pdf

Now just need details of the alarm.


Here is the circuitboard layout from crocodile technology

...

The component circled is the component i wanted to replace with a PIR
Back to top
 
Thank User For This Post  
IP Logged
 
CWatters
Super Member
*****
Offline

"Daddy fick it" says James

Posts: 5150


Total Thanks: 58
For This Post: 0


Gender: male

Re: PIR replacing switch problem
Reply #9 - Nov 7th, 2011, 12:21pm
 
A solution would be to use the 12V PIR sensor I posted above. This is a Honeywell IS215T.

http://www.reuk.co.uk/buy-12V-PIR-SENSOR.htm

Unfortunately there are two problems with this PIR sensor:

1) it needs a 12V supply and your alarm uses 9V so can't easily steal power from the alarm. Means you need another 12V adaptor or more design work (possibly to change the alarm so it also runs off 12V).

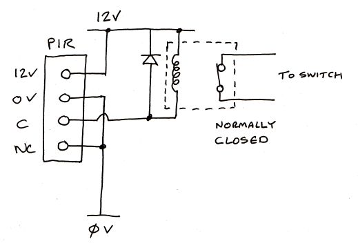
2) The PIR output is "normally closed". Apparently many 12V PIR sensors have normally closed outputs which is a pain. The simplest solution is another relay between the PIR and the alarm something like this.

Relay

Note that it says "normally closed" contacts should be used. That might seem wrong but it's because the relay will be energised most of the time and only turn off when the PIR detects someone. So in fact the contacts will be open most of the time.

There are probably more elegant ways to do it but they might involve modifying the alarm or attaching wires to somewhere else in the alarm other than at the switch.
Back to top
« Last Edit: Nov 7th, 2011, 12:22pm by CWatters »  
Thank User For This Post View members image gallery  
IP Logged
 
CWatters
Super Member
*****
Offline

"Daddy fick it" says James

Posts: 5150


Total Thanks: 58
For This Post: 0


Gender: male

Re: PIR replacing switch problem
Reply #10 - Nov 7th, 2011, 12:25pm
 
I haven't checked to see if there are any potential issues with this approach such as:

The alarm sounding briefly when power is applied?
No time delay to allow you to leave the area?
Back to top
 
Thank User For This Post View members image gallery  
IP Logged
 
Technology
Re: PIR replacing switch problem
Reply #11 - Nov 7th, 2011, 12:27pm
 
CWatters wrote on Nov 7th, 2011, 12:21pm:
A solution would be to use the 12V PIR sensor I posted above. This is a Honeywell IS215T.

http://www.reuk.co.uk/buy-12V-PIR-SENSOR.htm

Unfortunately there are two problems with this PIR sensor:

1) it needs a 12V supply and your alarm uses 9V so can't easily steal power from the alarm. Means you need another 12V adaptor or more design work (possibly to change the alarm so it also runs off 12V).

2) The PIR output is "normally closed". Apparently many 12V PIR sensors have normally closed outputs which is a pain. The simplest solution is another relay between the PIR and the alarm something like this.

Relay

Note that it says "normally closed" contacts should be used. That might seem wrong but it's because the relay will be energised most of the time and only turn off when the PIR detects someone. So in fact the contacts will be open most of the time.

There are probably more elegant ways to do it but they might involve modifying the alarm or attaching wires to somewhere else in the alarm other than at the switch.


Ok, Thank you so much. You've been very helpful
Back to top
 
Thank User For This Post  
IP Logged
 
Page Index Toggle Pages: 1
Send Topic Print